Фильтр
Сначала популярные
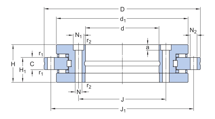
Прецизионные упорно-радиальные цилиндрические роликоподшипники представляют собой вид подшипников, предназначенных для применения в механизмах и устройствах, где требуется обеспечить высокую точность и надёжность работы. Данные подшипники способны успешно выдерживать значительные осевые нагрузки, при этом обеспечивая высокий уровень жёсткости и минимальный момент трения. Отличительной особенностью таких подшипников является их способность сохранять свои рабочие характеристики даже при работе в условиях высоких температур. Однако, следует учитывать, что прецизионные упорно-радиальные цилиндрические роликоподшипники могут иметь относительно большие размеры и вес по сравнению с некоторыми другими типами подшипников, что может ограничивать их применимость в некоторых случаях.
